
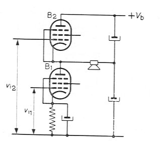
Additional advantages can be had with a different type of balanced output stage, where the tubes are lined up in series for the DC current flowing through the tubes. The principle is called therefore the series balanced output stage and it has the same advantages as the push-pull principle, and a few more.
First, the need for a separate phase inverter triode is eliminated because the lower tube acts as the phase inverter for the upper tube; the cost of a triode is thus saved. Actually, a similar arrangement is also possible for a classical push-pull stage, and was applied in the Philips BX690: one output tube is driven from a tap of the output transformer. But somehow the driverless balanced arrangements are the rule for series-balanced stages and the exception for parallel balanced stages.
Second, the special (low plate voltage) tubes developed for this
circuit have a low plate impedance, eliminating the need for an
output transformer.
This reduces cost and distortion (linear as well as non-linear)
and has the possibility for using negative feedback without problems
of phase shifted feedback.
The output stage drives the internal speaker (700 Ohms) directly, but
there is an output transformer in parallel so that an external speaker
of low impedance can be connected.
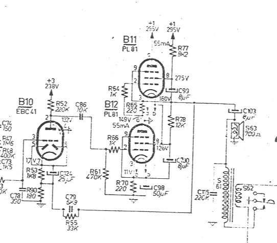
The cathode-filament voltage of the upper tube is about the plate voltage of each tube, and can easily be as high as 150V; this excludes the use of output tubes designed for only a small cathode-filament voltage because the insulation would break down. For this reason, Philips has made frequently made use of an EL84/UL84 mixed pair to build the circuit. The UL84 is equivalent to the EL86 (see below) output tube except for the heater, because it is designed for series string heaters and heater-cathode insulation is designed for high voltages. The very exquise Philips BX998 uses a series-balanced output stage consisting of two PL81 tubes (for the bass frequencies). The Philips B4X61A uses an EL84/EL86 pair. The EL86 was designed specifically for this circuit; the EL86 has low plate voltage and low plate impedance, but a very good cathode-heater insulation.
While the classical push-pull arrangement doubles the output impedance of a single tube, the series circuit halves it and has an output impedance that is only a quarter of that of a push-pull arrangement. For the EL86 this can be as low as 800 Ohms, which is low enough to drive one or a few speakers directly. The Philips speakers with 800 Ohm voice coil can be recognized by an A in the type number, e.g., 9710A, and 400 Ohm speakers have a B (and an M means double-conus speaker).
(John Byrns, Tony Duell, and George Gonzalez have
commented an earlier version.)